Our webstore uses cookies to offer a better user experience and we recommend you to accept their use to fully enjoy your navigation.
View larger
0104110000023537
New product
Matrix keypad 4x4 with useful buttons in your projects where you need to enter many user data.
See description for more details about the product.
Add to cart now!
3 Item Items
Warning: Last items in stock!
Availability date:
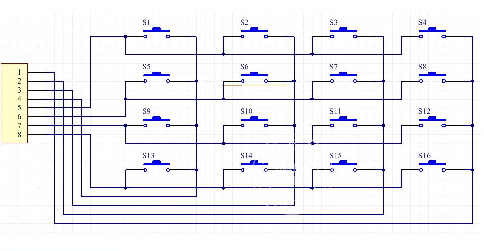
This product is a module with 16 push-button buttons useful to enter data into your application. The product is suitable for your innovative Arduino development pad projects, requiring just 8 connections to help you read 16 buttons.
To understand how to connect and operate the keyboard with 4x4 buttons, you can see the attached image at the bottom of the page.
The main advantage of this type of assembly is that you only need 8 control pins to read the status of the 16 buttons, but there is also the disadvantage that multiple buttons can not be read at the same time.
1. Connect the module to the development board.
To use this module, you need a development board that has at least 8 GPIO digital pins.
The connection scheme is the following:

2. Operating code.
This matrix keypad consists of the use of 4 pins as output and 4 pins as input. The principle on which this product works is simple: a signal is output to a pin initialized as an output and the signal is detected on an input pin. This happens when a button is pressed. For example, if we issue a signal to pin 2 and a signal is detected on pin 10, it means that the "S3" button has been pressed.
The batteries belong to one of the highest...
12,99 lei
This board is a simple carrier of Allegro’s ±31...
29,99 lei
This isolated power supply module is an...
11,99 lei
3 mm Red LED (Clear Lens)
0,26 lei
This is a very efficient receiver for laser...
6,49 lei
Keyboard Module See description for more...
18,44 lei
Screws for PC Kit (500 pcs) See description...
29,99 lei
HM612 Coreless Motor (53000 RPM at 3.7 V) See...
9,99 lei
0.25 W 1K Ω Resistor See description for more...
0,10 lei
Filament Feeder Gear for 3D Printer
4,18 lei