Site-ul nostru foloseste cookie-uri pentru a oferi utilizatorilor o experienta mai buna și vă recomandăm să acceptați utilizarea cookie-urilor pentru a putea beneficia de toate funcționalitățile site-ului.
Mărește
0104110000008503
Produs nou
Senzor de Temperatura și Umiditate DHT22
0 bucata in stoc bucati in stoc
Acest produs nu mai este in stoc
Ultimele bucăți în stoc
Dată reaprovizionare:
DHT22 este un senzor digital de temperatură și umiditate. Folosește un senzor de umiditate capacitiv și un termistor pentru a măsura aerul din jur și oferă ieșire digitala pe pinul de date (nu este nevoie de pin de input analog). Este ușor de folosit, dar necesită atenție la prelucrarea datelor. Datele pot fi citite o data la fiecare 2 secunde.
Pentru mai multe detalii verificați datasheet-ul atașat.
1.Realizați conexiunile hardware necesare.
Schema de conectare este următoarea:
Senzorul nu are inclus un rezistor de pull-up, așa că trebuie să folosiți un rezistor 0.25W 4.7KΩ. Acest rezistor de pull-up se conectează între pin-ul de alimentare și pin-ul de date.
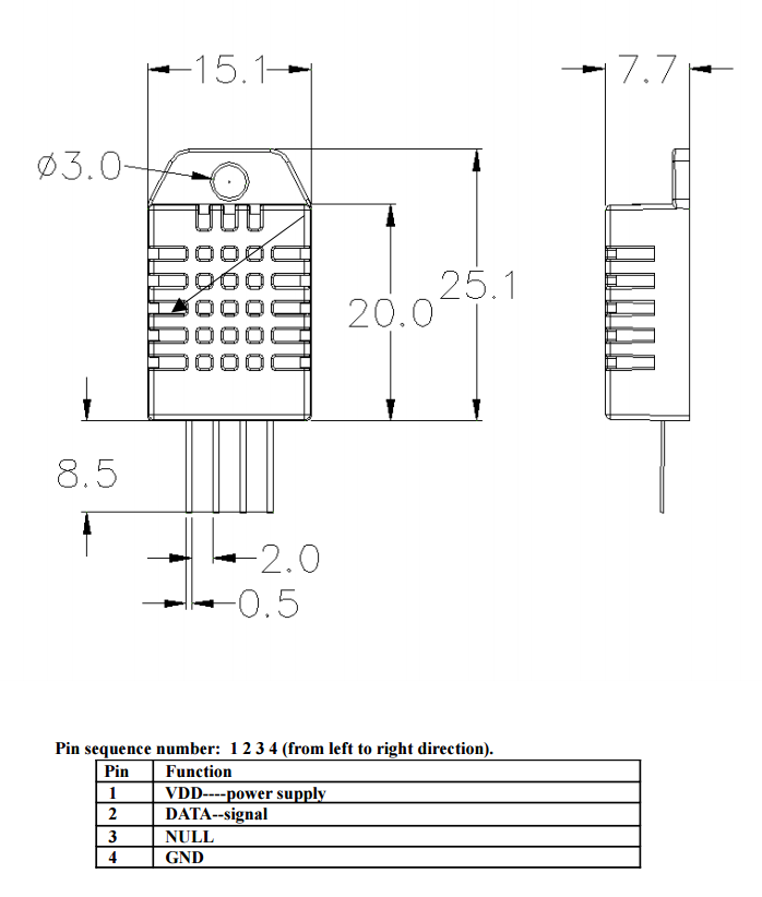
Consultați imaginea atașată mai jos pentru a identifica corect pinii de conectare.

2. Instalați o bibliotecă pentru DHT22.
Pentru a facilita utilizarea senzorului DHT22, puteți să instalați o bibliotecă special creată pentru acest produs. Un exemplu este biblioteca "SimpleDHT". Pentru a o adăuga pentru să selectați tab-ul Sketch -> Include Library -> Manage libraries.
3. Încărcați codul pe placa de dezvoltare.
Pentru a testa conexiunile realizate, puteți să încărcați un cod aflat la exemple. Selectați tab-ul File -> Examples -> SimpleDHT -> DHT22 Default.
merge cu cu libraria Adafruit + libraria de senzori unificata Ad
Merge cu libraria Adafruit + libraria de senzori unificata Adafruit (obligatoriu!)
Incape frumos pe un minibreadboard.
Cel mai ieftin pret
Cu siguranta cel mai bun pret din Romania!
Modul sonar pentru distanță Maxbotix...
$31.63
Header de Pini Mamă 12p 2.54 mm
$0.24
TEMT6000 Ambient Light Sensor Module.
$2.40
Cablu Audio Optic (2 m)
$6.26
Modul Senzor de Temperatură DHT11 cu LED
$2.40
Kitul conține o carcasa dezasamblata plexiglass...
$4.08
Modul Senzor de Temperatura și Umiditate SHT31...
$14.40
Header de Pini Tată de 2.54 mm 2 x 20p
$0.24
Modul Senzor de Gaz MQ-8 detecteaza prezența de...
$2.40
Modul de Expansiune IO PCF8574 potrivit pentru...
$2.11